Меню
Корзина

Парковый светильник SITI SV-PARK-2/2

Парковый светильник SITI SV-PARK-2/2
Парковый светильник SITI SV-PARK-2/2
New
Парковый светильник SITI SV-PARK-2/2
Парковый светильник SITI SV-PARK-2/2
Парковый светильник SITI SV-PARK-2/2
Модельный ряд:
Наименование Технические характеристики
SV-PARK-2/2-SITI-2*30Вт-4м Потребление: от сети - 2*30 Вт.
Световой поток: 8200 Лм.
Световой поток с учетом потерь на оптике7460  Лм.
Количество светодиодов: 24  Шт.
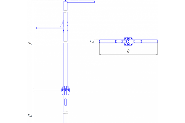
Габаритные размеры*:  1700х100х4000 мм    (ВхСхА мм.)                                                                         Масса:  65 кг. *            
SV-PARK-2/2-SITI-2*30Вт-5м Потребление: от сети - 2*30 Вт.
Световой поток: 8200 Лм.
Световой поток с учетом потерь на оптике7460  Лм.
Количество светодиодов: 24  Шт.
Габаритные размеры*:  1700х100х5000 мм     (ВхСхА мм.)                                                                       Масса: 76 кг. *                
SV-PARK-2/2-SITI-2*30Вт-6м Потребление: от сети - 2*30 Вт.
Световой поток: 8200 Лм.
Световой поток с учетом потерь на оптике7460  Лм.
Количество светодиодов: 24  Шт.
Габаритные размеры*:  1700х100х6000 мм     (ВхСхА мм.)                                                                        Масса:  88 кг. *                   
SV-PARK-2/2-SITI-2*60Вт-4м Потребление: от сети - 2*60  Вт.
Световой поток:   16400  Лм.
Световой поток с учетом потерь на оптике14920  Лм.
Количество светодиодов: 48   Шт.
Габаритные размеры*:  1700х100х4000 мм      (ВхСхА мм.)                                                                      Масса:  65 кг. *                     
SV-PARK-2/2-SITI-2*60Вт-5м Потребление: от сети - 2*60  Вт.
Световой поток:   16400  Лм.
Световой поток с учетом потерь на оптике14920  Лм.
Количество светодиодов: 48   Шт.
Габаритные размеры*:  1700х100х5000 мм      (ВхСхА мм.)                                                                     Масса:  76 кг. *
SV-PARK-2/2-SITI-2*60Вт-6м Потребление: от сети - 2*60  Вт.
Световой поток:   16400  Лм.
Световой поток с учетом потерь на оптике14920  Лм.
Количество светодиодов: 48   Шт.
Габаритные размеры*:  1700х100х6000 мм     (ВхСхА мм.)                                                                          Масса:  88 кг. *            
SV-PARK-2/2-SITI-2*90Вт-4м Потребление: от сети - 2*90  Вт.
Световой поток:   24600  Лм.
Световой поток с учетом потерь на оптике:  22380  Лм.
Количество светодиодов:  72   Шт.
Габаритные размеры*:  1700х100х4000 мм      (ВхСхА мм.)                                                                      Масса:  65 кг. *                   
SV-PARK-2/2-SITI-2*90Вт-5м Потребление: от сети - 2*90  Вт.
Световой поток:   24600  Лм.
Световой поток с учетом потерь на оптике:  22380  Лм.
Количество светодиодов:  72   Шт.
Габаритные размеры*:  1700х100х5000 мм     (ВхСхА мм.)                                                                       Масса:  76  кг. *      
SV-PARK-2/2-SITI-2*90Вт-6м Потребление: от сети - 2*90  Вт.
Световой поток:   24600  Лм.
Световой поток с учетом потерь на оптике:  22380  Лм.
Количество светодиодов:  72   Шт.
Габаритные размеры*:  1700х100х6000 мм      (ВхСхА мм.)                                                                        Масса:  88 кг. *                    
Характеристики
Мощность, Вт: 60 - 180
Световой поток, лм: 8 200 - 24 600
Цветовая температура, К: 4000, 5000
Индекс цветопередачи: >80
Степень защиты: IP66
Установка Светодиодные светильники просты в установки и не требуют специальных навыков. Длительный срок службы светодиодов позволит обойтись без обслуживания, замены ламп и их утилизации
Тип КСС Д (120°), Ш (135*60°)
Пульсация светового потока 1 %
Количество светодиодов: 24 - 72 шт.

Написать отзыв

Внимание: HTML не поддерживается! Используйте обычный текст!
Плохо Хорошо
Модули для Опенкарт (Opencart) всех версий!